Jiawo Electromechanical series
A manufacturer and exporter specializing in the production of high pressure cleaning machines and motors.

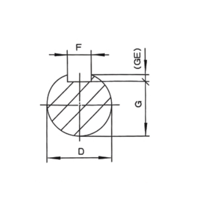
YE3-160-355

Frame with foot end shield without flange(B3)

For more information, please send an email or call our hotline

jiawofanny@outlook.com

Product description

Frame with foot end shield without flange(B3)
FramePloesAA/2BCHKDEFGABACADHDL
80M2.4.6.812562.51005080101940615.5165175145220305
90S1407010056902450820180195165260360
90L125390
100L160801406310012286024205215180270435
112M1909514070112230240190300470
132S2161081408913238801033270275210345510
132M178560
160M25412721010816014.5421101237320330255420730
160L254760
180M279139.5241121180481442.5355380280455740
180L279790
200L31815930513320018.5551649395420305505790
225S4.8356178286149225601401853435470335560865
225M2311551101649865
4.6.8601401853890
250M240620334916825024490510370615915
4.6.86558
280S2457228.5368190280550580410680985
4.6.8752067.5
280M24196518581035
4.6.8752067.5
315S2508254406216315286518586356455308451180
4.6.8.108017022711290
315M24576514018581210
4.6.8.108017022711320
315L25086514018581210
4.6.8.108017022711320
355M2610305560254355751402067.573071065510101500
4.6.8.109517025861530
355L2630751402067.51500
4.6.8.109517025861530


go back

Tel:13566449999

E-mail:jiawofanny@outlook.com

Add:No.318,Chenguang Road,East New District,Wenling city,Taizhou city ,Zhejiang province,China

Manufacturer and exporter specializing in high pressure cleaners and motors

Focus on us for more dynamics 二維碼

copyright Taizhou Jiawo Electromechanical Co.,Ltd  網(wǎng)站地圖 Technical support: tzzhexing.com