Jiawo Electromechanical series
A manufacturer and exporter specializing in the production of high pressure cleaning machines and motors.

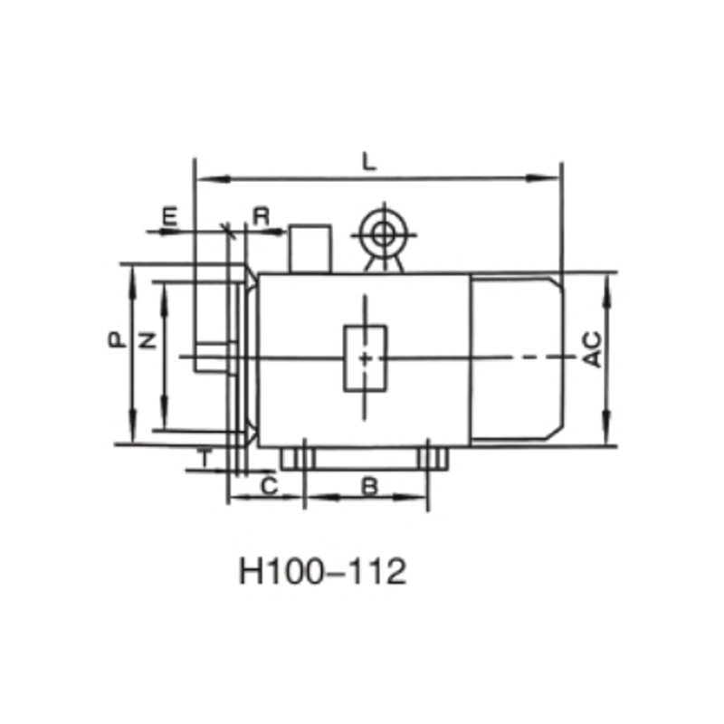
H100-112

Motor (B34) with foot and flange on end cover (with through hole)

For more information, please send an email or call our hotline

jiawofanny@outlook.com

Product description

FramePloesAA/2BCHKDEFGMNPRSTHolesABACADHDL
63M2.4100508040637112348.57560900M52.54135130180230
71M2.4.61125690457114305118570105M6150145195255
80M2.4.6.812562.51005080101940615.5100801203165175145220305
90S140701005690245082011595140M8180195165260360
90L125390
100L1608014063100122860241301101603.5205215180270435
112M1909514070112230240190300470


go back

Tel:13566449999

E-mail:jiawofanny@outlook.com

Add:No.318,Chenguang Road,East New District,Wenling city,Taizhou city ,Zhejiang province,China

Manufacturer and exporter specializing in high pressure cleaners and motors

Focus on us for more dynamics 二維碼

copyright Taizhou Jiawo Electromechanical Co.,Ltd  網(wǎng)站地圖 Technical support: tzzhexing.com