Jiawo Electromechanical series
A manufacturer and exporter specializing in the production of high pressure cleaning machines and motors.

H63-90

Motor (B35) with foot and flange on end cover (with through hole)

For more information, please send an email or call our hotline

jiawofanny@outlook.com

Product description

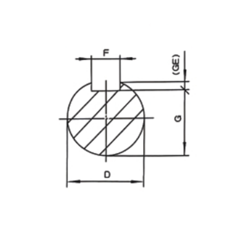
FramePloesAA/2BCHKDEFGMNPRSTHolesABACADHDL
63M2.4100508040637112348.51159514001034135130180230
71M2.4.61125690457114305111301101603.5150145195255
80M2.4.6.812562.51005080101940615.516513020012165175145220305
90S1407010056902450820180195165260360
90L125390
100L16080140631001228602421518025014.54205215180270435
112M1909514070112230240190310470
132S2161081408913238801033265230300270275210345510
132M178550


go back

Tel:13566449999

E-mail:jiawofanny@outlook.com

Add:No.318,Chenguang Road,East New District,Wenling city,Taizhou city ,Zhejiang province,China

Manufacturer and exporter specializing in high pressure cleaners and motors

Focus on us for more dynamics 二維碼

copyright Taizhou Jiawo Electromechanical Co.,Ltd  網(wǎng)站地圖 Technical support: tzzhexing.com