Jiawo Electromechanical series
A manufacturer and exporter specializing in the production of high pressure cleaning machines and motors.

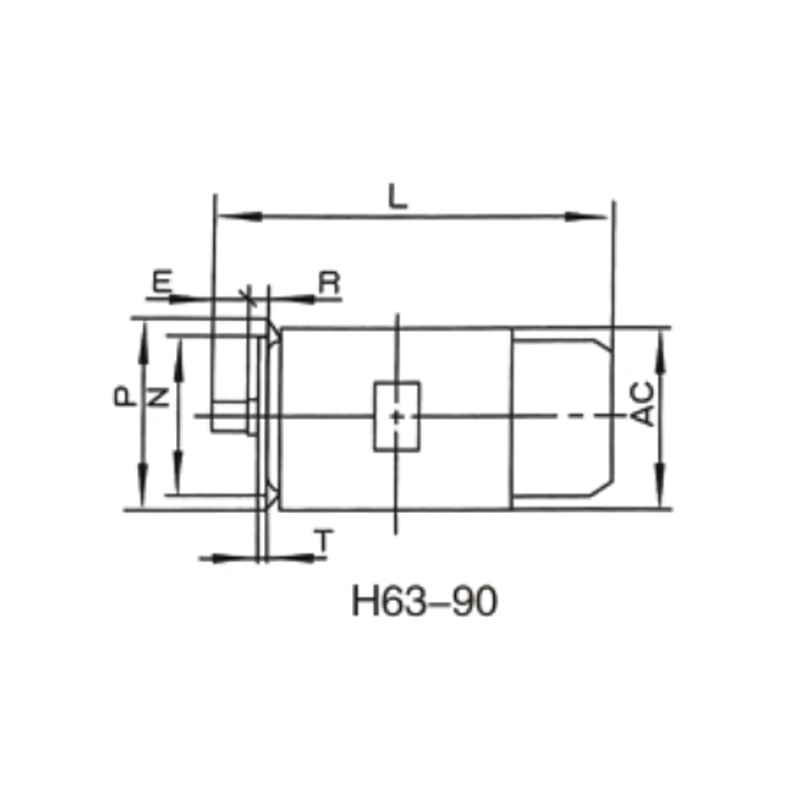
H63-90

Frame without foot end shield with flange(B5)

For more information, please send an email or call our hotline

jiawofanny@outlook.com

Product description

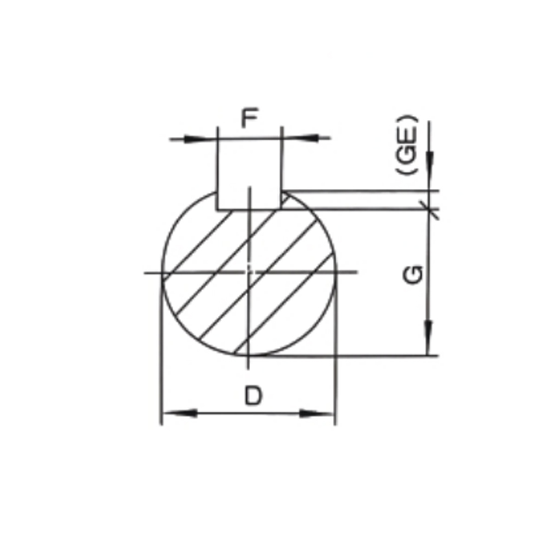
FramePloesDEFGMNPRSTHolesACADHFL
63M2.4112348.51159514001034130120230
71M2.4.614305111301101603.5145125255
80M2.4.6.81940615.516513020012175145305
90S2450820195165360
90L390
100L28602421518025014.54215180245435
112M240190265470
132S38801033265230300275210315510
132M560


go back

Tel:13566449999

E-mail:jiawofanny@outlook.com

Add:No.318,Chenguang Road,East New District,Wenling city,Taizhou city ,Zhejiang province,China

Manufacturer and exporter specializing in high pressure cleaners and motors

Focus on us for more dynamics 二維碼

copyright Taizhou Jiawo Electromechanical Co.,Ltd  網(wǎng)站地圖 Technical support: tzzhexing.com