Jiawo Electromechanical series
A manufacturer and exporter specializing in the production of high pressure cleaning machines and motors.

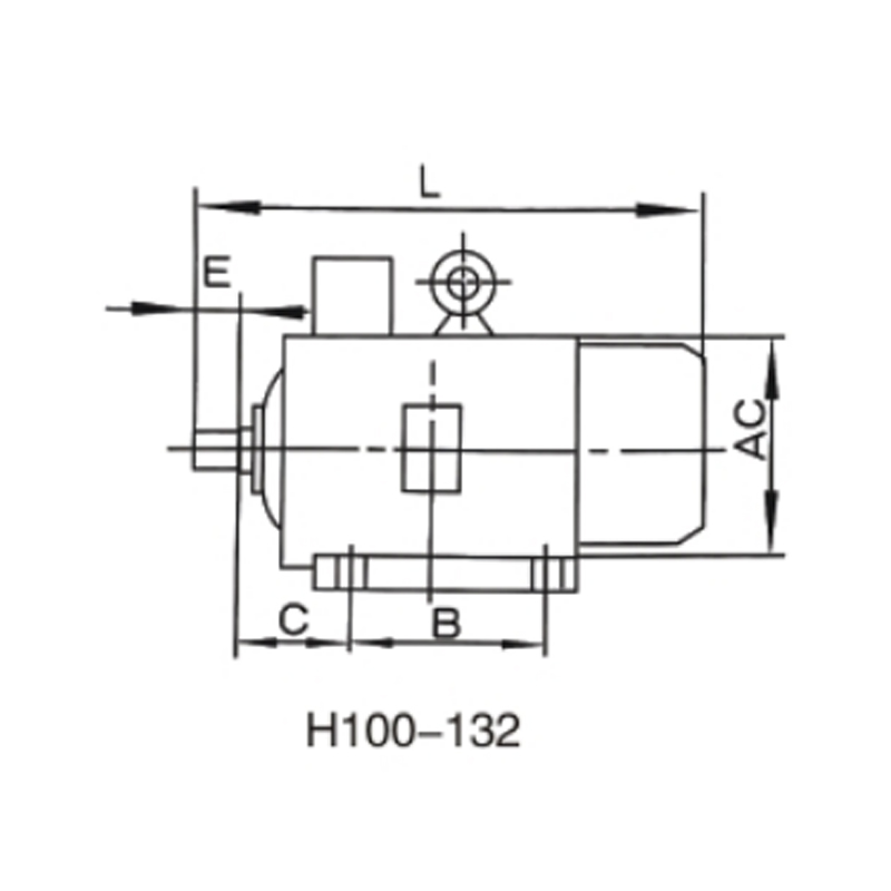
H100-132

Frame with foot end shield without flange(B3)

For more information, please send an email or call our hotline

jiawofanny@outlook.com

Product description

FramePloesAA/2BCHKDEFGABACADHDL
63M2.4100508040637112348.5135130180230
71M2.4.6112569045711430511150145195255
80M2.4.6.812562.51005080101940615.5165175145220305
90S1407010056902450820180195165260360
90L125390
100L160801406310012286024205215180270435
112M1909514070112230240190310470
132S2161081408913238801033207210276345510
132M178550


go back

Tel:13566449999

E-mail:jiawofanny@outlook.com

Add:No.318,Chenguang Road,East New District,Wenling city,Taizhou city ,Zhejiang province,China

Manufacturer and exporter specializing in high pressure cleaners and motors

Focus on us for more dynamics 二維碼

copyright Taizhou Jiawo Electromechanical Co.,Ltd  網(wǎng)站地圖 Technical support: tzzhexing.com