Jiawo Electromechanical series
A manufacturer and exporter specializing in the production of high pressure cleaning machines and motors.

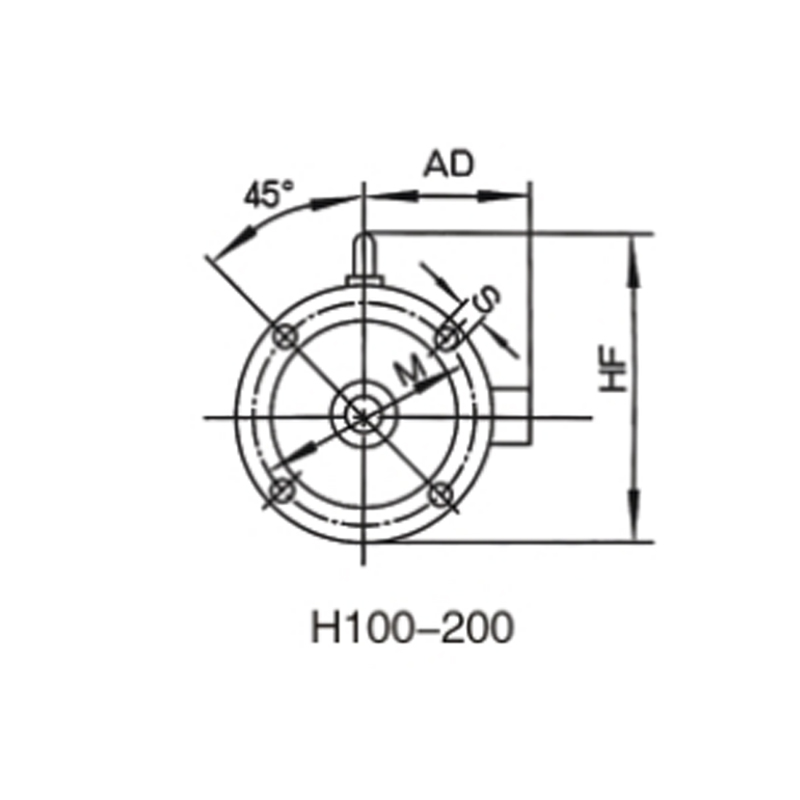
H100-200

Frame without foot end shield with flange(B5)

For more information, please send an email or call our hotline

jiawofanny@outlook.com

Product description

FramePloesDEFGMNPRSTHolesACADHFL
80M2.41940615.51651302000123.54175145185395
90S2.4.624508201951551958420
90L445
100L2.4.6.828602421518025014.54215180245480
112M240190265500
132S38801033265230300275210315600
132M640
160M2.4.6.8.1042110123730025035018.55330255385750
160L800
180M481442.5380280430830
180L870
200L551649350300400420305480920
225S4.6.8.106014018534003504508470335535940
225M2551101649940
4.6.8.10601401853965
250M25004505505103705951075
4.6.8.106558
280S25804106501170
4.6.8.10752067.5
280M26518581220
4.6.8.10752067.5


go back

Tel:13566449999

E-mail:jiawofanny@outlook.com

Add:No.318,Chenguang Road,East New District,Wenling city,Taizhou city ,Zhejiang province,China

Manufacturer and exporter specializing in high pressure cleaners and motors

Focus on us for more dynamics 二維碼

copyright Taizhou Jiawo Electromechanical Co.,Ltd  網(wǎng)站地圖 Technical support: tzzhexing.com