Jiawo Electromechanical series
A manufacturer and exporter specializing in the production of high pressure cleaning machines and motors.

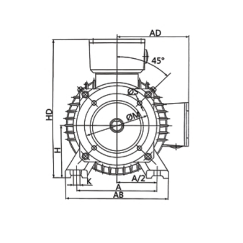
H80-90

Frame with foot,end shield with flange(screw(B34)

For more information, please send an email or call our hotline

jiawofanny@outlook.com

Product description

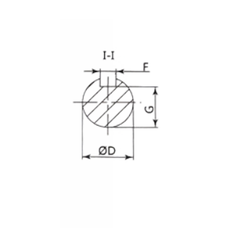
FramePloesMounting dimension(mm)Overall dimensions(mm)
AA/2BCHKDEFGMNPRSTHolesABACADHDL
80M2.4.612562.51005080101940615.5100801200M634165175145220305
90S2.4.614070100569010245082011595140M83180205170265360
90L2.4.614070125569010245082011595140M83180205170265390
100L2.4.6.81608014063100122860824130110160M83.5205215180270435
112M2.4.6.81909514070112122860824130110160M83.5230255200310440


go back

Tel:13566449999

E-mail:jiawofanny@outlook.com

Add:No.318,Chenguang Road,East New District,Wenling city,Taizhou city ,Zhejiang province,China

Manufacturer and exporter specializing in high pressure cleaners and motors

Focus on us for more dynamics 二維碼

copyright Taizhou Jiawo Electromechanical Co.,Ltd  網(wǎng)站地圖 Technical support: tzzhexing.com