Jiawo Electromechanical series
A manufacturer and exporter specializing in the production of high pressure cleaning machines and motors.

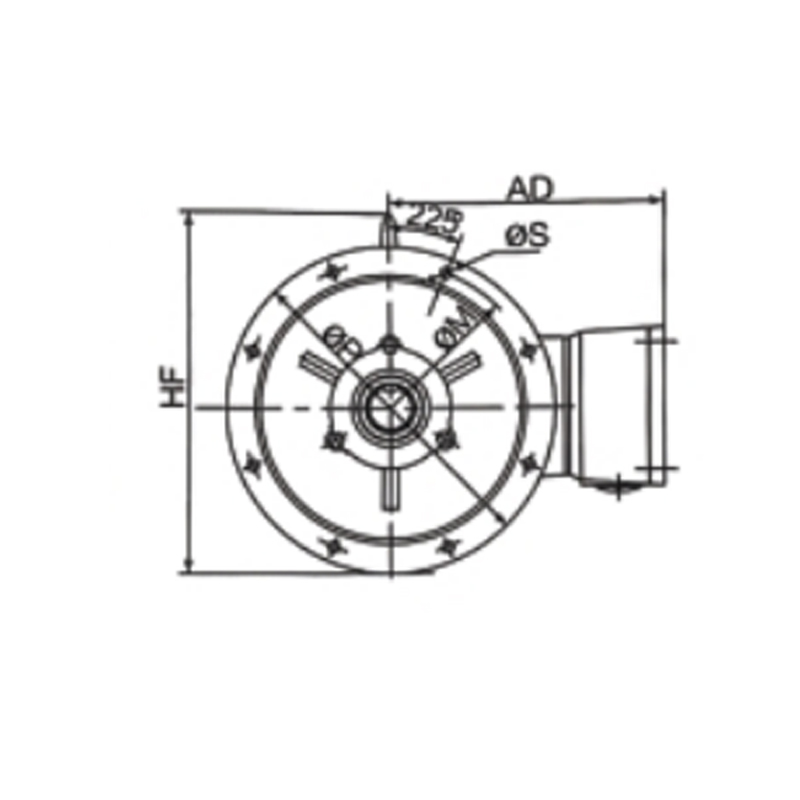
H225-280

Frame without foot,end shield with flange(B5)

For more information, please send an email or call our hotline

jiawofanny@outlook.com

Product description

FramePloesMounting dimension(mm)Overall dimensions(mm)
DEFGMNPRSTHolesACADHDL
80M2.41940615.51651302000123.54175145305
90S2.4.62450820165130200123.54205170395
90L2.4.62450820165130200123.54205170425
100L2.4.6.8286082421518025014.544215180245435
112M2.4.6.8286082421518025014.544255200275475
132S2.4.6.83880103326523030014.544310230335535
132M4.6.83880103326523030014.5544310230335550
160M2.4.6.842110123730025035018.554340260390730
160L2.4.6.842110123730025035018.554340260390760
180M2.4481101442.530025035018.554390285435805
180L4.6.8481101442.530025035018.554390285435835
200L2.4.6.855110164935030040018.554445320495890
225S4.860140185340035045018.558495350550865
225M255110164940035045018.558550350550865
4.6.860140185340035045018.558550350550895
250M260140185350045055018.558630390615995
4.6.865140185850045055018.558630390615995
280S265140185850045055018.5586304356751030
4.6.8751402067.550045055018.5586304356751030
280M265140185850045055018.5586304356751080
4.6.8751402067.550045055018.5586304356751080


go back

Tel:13566449999

E-mail:jiawofanny@outlook.com

Add:No.318,Chenguang Road,East New District,Wenling city,Taizhou city ,Zhejiang province,China

Manufacturer and exporter specializing in high pressure cleaners and motors

Focus on us for more dynamics 二維碼

copyright Taizhou Jiawo Electromechanical Co.,Ltd  網(wǎng)站地圖 Technical support: tzzhexing.com